CHF 1.10
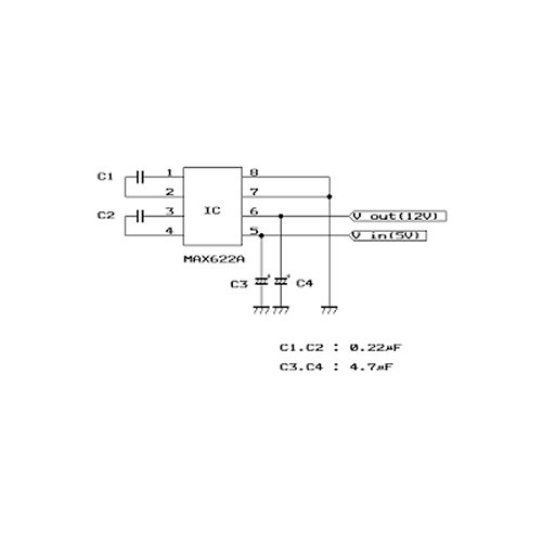
Max662 Dil 8 broches Convertisseur 5V –> 12V 30mA
Please list what you want and send an email to info@didel.com We still have plenty of stock and we will reduce significantly all prices